型号说明

特点
-
压力:本标准缸分为E/G两种压力级。E级适用于 >6.3-16MPa(这一压力范围的液压缸称E级缸);G级适用于 >16-25MPa(这一压力范围的液压缸称G级缸)。
-
密封:E级缸采用结构简单,耐磨性好的Yx型密封圈。G级缸采用耐高压,密封可靠的V型组合密封圈。
-
防尘:本液压缸均采用聚胺脂或丁睛橡胶无骨架式防尘圈。
-
适用介质:液压油、机械油、乳化液,不适用于磷酸脂。
-
适用温度:-40℃ 至 +80℃ ,不适用于低于-40℃低温或超过+80℃高温。
-
结构:本标准缸备有17种缸径(40、50、63、80、90、100、110、125、140、150、160、180、200、220、250、280、320)按两种速比(1.46、2)组成34种规定。分成带间隙缓冲和不带间隙缓冲结构。缸头和缸尾亦可有单向放气阀,既可作带间隙缓冲液压缸的快速启动用,又可作放气用。杆部防尘密封采用可换式结构,便于现场维修。 活塞杆镀保护性硬铬,具有防尘,防锈,防腐,耐磨等特性。
-
安装连接:符合国际ISO6020/1-1981中系列液压缸安装连接尺寸。 不同缸径均有基本型,前、后长方法兰,前、后安装法兰,前、后圆法兰,前、中、后铰轴,头部单耳环,轴向、径向脚架共13种安装形式。 除轴向脚架型外,安装连接尺寸均符合I6020、1-1981。
订货须知
-
压力分级E可适用6.3~16MPa的工作压力。
-
安装连接形式除中间铰轴需在型号上注明1的具体尺寸外,其余按表上符号填定即可,外连接尺寸请参考表。
-
如需要间隙缓冲,请填写H符合。
-
行程请按行程系列表4中的分档填写。
-
对液压缸的工作介质、适用温度、试验、外表涂漆、包装等有特殊要求请注明。
-
杆端耳环由用户自定。
技术规格
缸径D、杆径d系列

注:表中*符号为ISO6020/1标准缸径D与杆径d,请优先选用。
油口系列

注:
1.此油口尺寸根据活塞油口最高流速V0(5m/sec)而定。
2.缸径D≥250,油口采用对开式法兰结构。
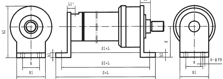
各种安装形式,在额定压力下的允许最大行程S(见表)其中
S1——头部法兰或轴向脚架安装,杆端带耳环;
S2——头部法兰或轴向脚架安装,杆端不带耳环;
S3——尾部法兰安装,杆端带耳环;
S4——尾部法兰安装,杆端不带耳环;
S5——尾部铰轴或尾部单耳环安装,杆端带耳环;
S6——头部铰轴安装,杆端带耳环;
S7——中间铰轴安装,杆端带耳环;
最大行程

表中数字是按稳定性计算的最大行程,超了此表范围均为非标准,需设计者自行保证稳定性
行程系列

本系列采用ISO4393液压传动一缸一活塞行程的基本系列,请优先选用。
外形尺寸


注:
1.选用液压缸时考虑管道阻力损失和机构中摩擦损失应将计算力加10%。
2.D≤20油口用螺纹连接,D≥250油口用对开式法兰连接,表中尺寸为油口通径。
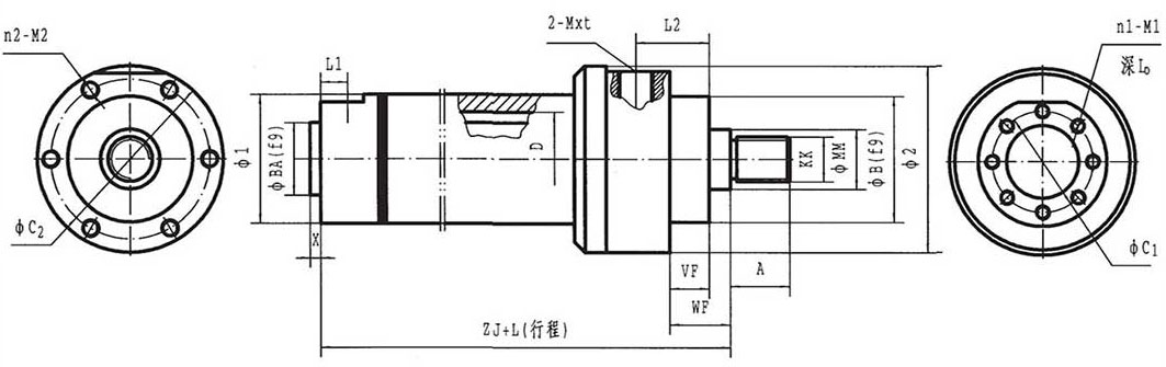
头部长方法兰安装连接尺寸图表 Y-HG1 -ED/d x ※※F1 - ※L1※


尾部长方法兰安装连接尺寸图表 Y-HG1-ED/d x ※※F2 - ※L1※


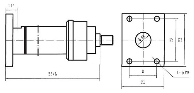
头部圆法兰安装连接尺寸图表 Y-HG1-ED/d x ※※F3 -※L1※


尾部圆法兰安装连接尺寸图表 Y-HG1-ED/d x ※※F4-※L1※


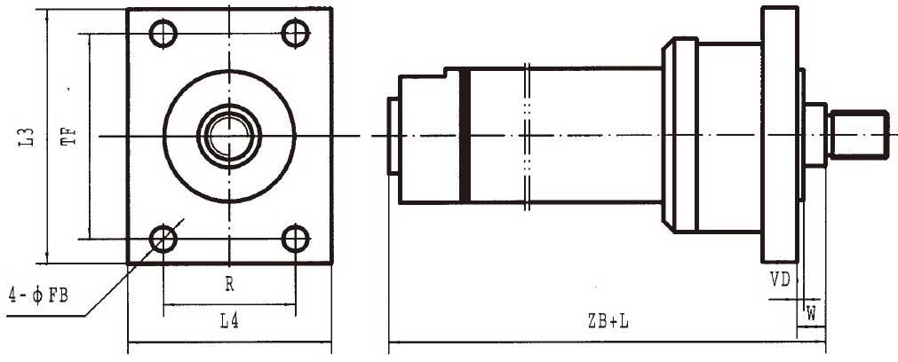
头部方法兰安装连接尺寸图表 Y-HG1-ED/d x ※※F5 - ※L1※


尾部方法兰安装连接尺寸图表 Y-HG1-ED/d x ※※F6 - ※L1※


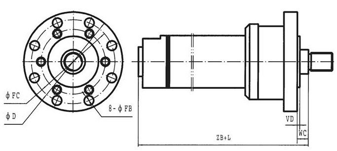
尾部单耳环安装连接尺寸图表 Y-HG1 -ED/d x ※※E1*2 - ※L1※


头部铰轴安装连接尺寸图表 Y-HG 1-ED/D x ※※Z1-※※L 1※


中间铰轴安装连接尺寸图表 Y-HG-ED/d x ※※Z2(1) ※L 1※


尾部铰轴安装连接尺寸图表 Y-HG1-ED/d x ※※Z3 - ※L 1※


轴向脚架安装连接尺寸图表 Y-HG1-ED/d x ※※ J1 - ※L1※


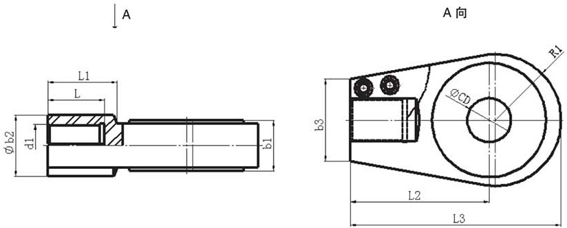
头部耳环连接尺寸图表 D/d GT-E1*2


定货须知
1.冶标液压缸选用头部耳环时,应另行单独定货。
2.耳环图号E包含E1E2两种形式。E1为带关节轴承,E2为不带关节轴承(加轴套),安装尺寸不变。
3.定货时应注明缸径D,杆径d。
中间铰轴冶标缸
中间铰轴位置相对行程的关系见下表:
使用说明
1.液压缸缸径、杆径及压力的确定和选用,必须考虑液压系统压力源的压力和系统的损失,压力的控制和调整由液压系统调压阀确定。
2.液压缸在工作之前必须用低压(大于启动压力)进行几次往复运动,交替打开两端单向放气阀排除缸内的气体后,才能进行正常工作。进出油口接头之间必须加组合密封垫紧固好,以防漏油。
3.为了保证液压缸的寿命,使用介质中不得混有杂质、脏物,以免划伤缸筒内壁,使密封损伤,引起内外泄漏。