C25、D25系列高压重型液压缸

视频展示

设备简介

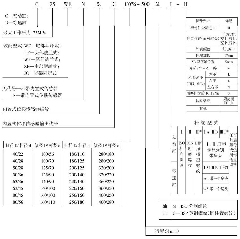
C25/D25系列高压重型液压缸

本系列共有16个缸径规格,各有2*8个装配型式,组成256个品种。液压缸为双作用单活塞型式,分差动缸和等速缸, 带可调缓冲(或不带),可配防护罩。C25系列缸径 D=50~400mm均可配置内置式位移传感器。

基本性能参数符合国标和ISO标准,安装型式和尺寸符合德国钢厂标准,与REXROTH公司的"CD250,CG250",意大利FOSSA公司的"DINTYPE200/250"系列一致,也与英国ELRAM公司的"Series250K"系列基本一致。适用于冶金、矿山、起重、运输、船舶、锻压、铸造、机床、石油、煤炭、化工、军工等工业部门。

如需特殊定制,请联系我们

合作案例

合作咨询

联系电话

销售部:0351-7038758/68

销售总监:13703549773

销售经理:13453466584

售前技术支持:0354-3264078

售后服务:0354-3264079

总经理办公室:0354-8595117

国际业务联络处:0351-7038778

联系地址

山西海洋液压有限公司

地址:山西省晋中市榆次区工业园区9号路

邮编:030006

网址:http://oind.cn

电邮:o@oind.cn

联系地址

太原市海世嘉科贸有限公司

地址:山西省太原市高新区长治路227号高新国际大厦

邮编:030006

网址:http://oind.cn

电邮:ocean@oind.cn