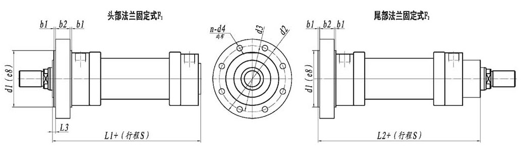
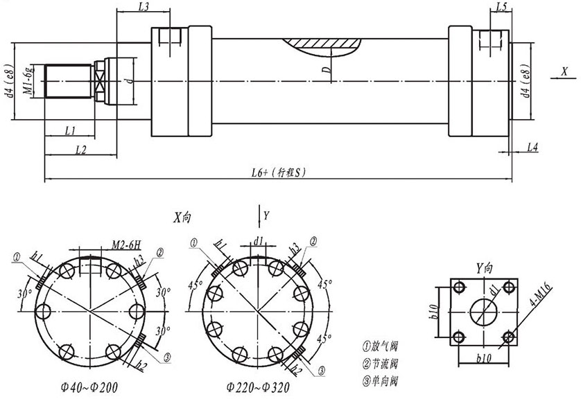
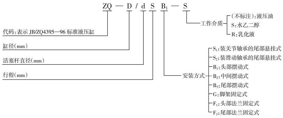
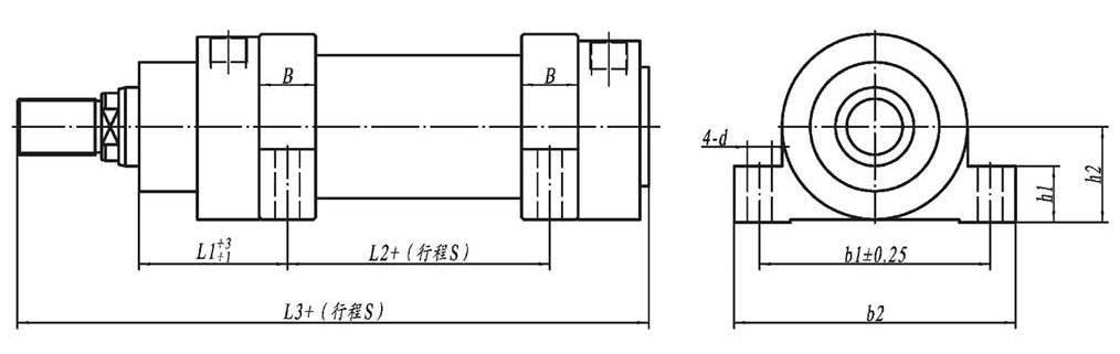
JB/ZQ4395-96重型冶金设备用液压缸

视频展示

设备简介

JB/ZQ4395-96重型冶金设备用液压缸

JB/ZQ4395-96标准系列重型冶金设备液压缸。其安装尺寸符合德国SMS公司的SN506标准。

该系列产品具有优越的性能 和良好的可靠性,其性能指标和质量指标均达到国内、外同类产品水平,已广泛应用于重机、冶金、矿山机械,也可应用于其他行业。

如需特殊定制,请联系我们

合作案例

合作咨询

联系电话

销售部:0351-7038758/68

销售总监:13703549773

销售经理:13453466584

售前技术支持:0354-3264078

售后服务:0354-3264079

总经理办公室:0354-8595117

国际业务联络处:0351-7038778

联系地址

山西海洋液压有限公司

地址:山西省晋中市榆次区工业园区9号路

邮编:030006

网址:http://oind.cn

电邮:o@oind.cn

联系地址

太原市海世嘉科贸有限公司

地址:山西省太原市高新区长治路227号高新国际大厦

邮编:030006

网址:http://oind.cn

电邮:ocean@oind.cn